Typ B2 VDI -Werkzeughalter

Präzisionsklemme: Verjüngungsgrenzfläche mit Runout ≤ 0,01 mm

Extreme Starrheit: Spezielle Wärmebehandlung erreicht HRC58-62 Härte

Schnelle Änderung: Ergonomisches Design ermöglicht die Änderung des Werkzeugs <30s -Tools

Breite Kompatibilität: Passt ISO, DIN und andere Standard -Shanks an

Anti-Korrosion: Spezielle Oberflächenbeschichtung zur Rostprävention


Produktdetails


Produktbeschreibung

Der Werkzeughalter ist eine Kernklemmkomponente in der Präzisionsbearbeitung, die aus Premium -Legierungsstahl hergestellt wird, um eine stabile und zuverlässige Klemmkraft für verschiedene Schneidwerkzeuge bereitzustellen. Geeignet für Drehen, Mahlen, Bohrungen und andere Bearbeitungsanwendungen, verbessert es die Bearbeitungsgenauigkeit und die Lebensdauer der Werkzeug.


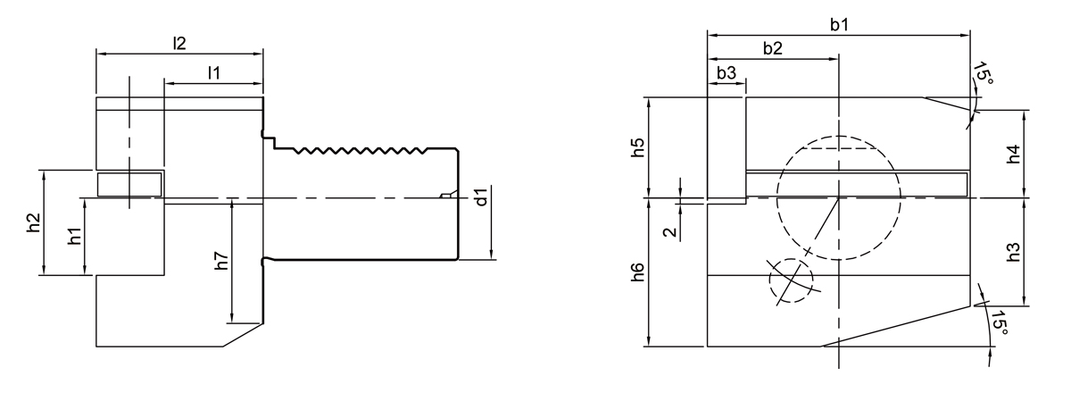
Produktschema

Typ B2 VDI -Werkzeughalter


Produktparameter


Typ B2 VDI -Werkzeughalter

Produktvorteile

Sorgt für einen stabilen Schnittprozess
Reduziert abnormale Werkzeugkleidung
Minimiert die Nicht-Schneiderzeit
Ein Inhaber erfüllt mehrere Bearbeitungsanforderungen

Typ B2 VDI -Werkzeughalter


Qualitätsinspektion

Jiehe Machinery besitzt eine führende Produktionsfabrik sowie das Inspektions- und Testzentrum für Werkzeughalter in China, wobei die Fertigungsfunktionen zu den Tops rangieren. Unsere Kernproduktions- und Testgeräte umfassen Grob, Takisawa, Doosan, Haimer, Kelch, Zoller, Mitutoyo usw., und wir besitzen auch über die gesamte Palette der Standard -Werkzeughalter und Werkzeughalter -Messgeräte von Deutsch Diebold. Die Verwendung dieser Geräte gewährleistet die Überlegenheit unserer Produktionseffizienz und der Produktqualität weiter.

Wir haben eine intelligente Produktionslinie, die die Stabilität der Produktqualität gewährleistet und die Produktionseffizienz erheblich verbessert.


Typ B2 VDI -Werkzeughalter

Typ B2 VDI -Werkzeughalter


Fotografien von Produkten im Workshop

Unser Workshop unterhält ein robustes Bestand an halbfeindlichen Produkten, um eine stetige Versorgung zu gewährleisten und es uns ermöglicht, enge Fristen mit Geschwindigkeit und Effizienz einzuhalten. Mit optimierten Produktionsprozessen und einer gut organisierten Lieferkette garantieren wir schnelle Turnaround-Zeiten, ohne die Qualität zu beeinträchtigen. Unser erfahrenes Team und hochmoderne Einrichtungen ermöglichen es uns, schnell auf Kundenanforderungen zu reagieren und flexible Lösungen und eine schnelle Lieferung anzubieten, um Ihre Vorgänge reibungslos zu halten.


Typ B2 VDI -Werkzeughalter


Typ B2 VDI -Werkzeughalter



Fabrikanzeige

Jiehe Jiehe Machinery Co., Ltd., gegründet im Jahr 2000, ist ein nationales High-Tech-Unternehmen und ein technologisches und innovatives Unternehmen auf Provinzebene. Das Unternehmen spezialisiert auf CNC -Maschinenmaschinenzubehör und bietet über 1.000 Produktsorten, wobei 60% der Produkte exportiert werden. Mit über 200 CNC-Maschinen und einem Team von mehr als 100 Mitarbeitern hat Jiehe über 30 nationale Patente verdient und ist für seine bekannten Marken wie Cncjiehe, Sun Moon Lake und Gans anerkannt. Das Unternehmen nimmt regelmäßig an internationalen Ausstellungen in Peking, Shanghai, den USA, Deutschland, Italien und Tokio teil und baut eine starke globale Marktpräsenz auf. Durch die Benchmarking von Top -Unternehmen in Deutschland und Japan hat Jiehe eine rasante Entwicklung erreicht und eine umfassende Produktion und F & E -Basis mit Tochtergesellschaften in Jining, Shandong, Suzhou und darüber hinaus etabliert.


Typ B2 VDI -Werkzeughalter

Typ B2 VDI -Werkzeughalter

Typ B2 VDI -Werkzeughalter

Typ B2 VDI -Werkzeughalter

Typ B2 VDI -Werkzeughalter


Hinterlassen Sie Ihre Nachrichten

Verwandte Produkte

x

Beliebte Produkte

x