NMTB JTA Jacobs Kegeldorne

Design mit hoher Steifigkeit: Hergestellt aus hochwertigem legiertem Stahl oder hochfesten Materialien, um Biegungen und Vibrationen bei der Tieflochbearbeitung zu widerstehen.

Präzise Verbindung: Der hochpräzise Kegelschaft oder die Gewindeschnittstelle gewährleisten die Konzentrizität von Werkzeug und Spindel und minimieren Rundlauffehler.

Anpassungsfähigkeit von Multi-Tools: Kompatibel mit verschiedenen Bohrern, Schaftfräsern und anderen Schneidwerkzeugen für mehr Flexibilität.


Produktdetails

Produktbeschreibung

Die Jacobs Dorne sind ein Präzisionswerkzeug, das zur Erweiterung der Reichweite von Bohrern oder Schneidwerkzeugen verwendet wird und häufig in der Tieflochbearbeitung, im Formenbau, in der Luft- und Raumfahrt und in der Verarbeitung von Automobilkomponenten eingesetzt wird. Es sorgt für eine stabile Verbindung zwischen der Maschinenspindel und dem Werkzeug und bietet eine hohe Präzision und Steifigkeit während des Betriebs, kompatibel mit Bohrmaschinen, CNC-Bearbeitungszentren und anderen Geräten.


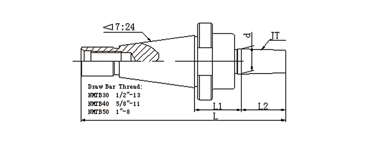
Stupsenuct Schaltplan

NMTB JTA Jacobs Kegeldorne

Produktparameter

NMTB JTA Jacobs Kegeldorne


Qualitätsprüfung

Jiehe Machinery besitzt eine führende Produktionsfabrik für Werkzeughalter sowie ein Inspektions- und Prüfzentrum in China, wobei die Fertigungskapazitäten zu den besten gehören. Zu unseren Kernfertigungs- und Prüfgeräten gehören GROB, TAKISAWA, Doosan, HAIMER, KELCH, ZOLLER, Mitutoyo usw., und wir verfügen auch über das gesamte Sortiment an Standard-Werkzeughaltern und Werkzeughalterlehren von German Diebold. Der Einsatz dieser Geräte gewährleistet außerdem die Überlegenheit unserer Produktionseffizienz und Produktqualität.

Wir verfügen über eine intelligente Produktionslinie, die die Stabilität der Produktqualität gewährleistet und die Produktionseffizienz erheblich verbessert.


SK Jacobs Lauben (DIN69871)


SK Jacobs Lauben (DIN69871)


Werksseitige Auslage

Jining Jiehe Machinery Co., Ltd. wurde im Jahr 2000 gegründet und ist ein nationales High-Tech-Unternehmen und ein technologieorientiertes und innovatives Unternehmen auf Provinzebene. Das Unternehmen ist auf CNC-Werkzeugmaschinenzubehör spezialisiert und bietet über 1.000 Produktvarianten an, wobei 60 % der Produkte exportiert werden. Mit über 200 CNC-Maschinen und einem Team von mehr als 100 Mitarbeitern hat Jiehe über 30 nationale Patente erworben und ist für seine bekannten Marken wie CNCJiehe, Sun Moon Lake und Goose bekannt. Das Unternehmen nimmt regelmäßig an internationalen Messen in Peking, Shanghai, den USA, Deutschland, Italien und Tokio teil und baut so eine starke globale Marktpräsenz auf. Durch den Vergleich von Top-Unternehmen in Deutschland und Japan hat Jiehe eine schnelle Entwicklung erreicht und eine umfassende Produktions- und F&E-Basis mit Tochtergesellschaften in Jining, Shandong, Suzhou und darüber hinaus aufgebaut.


SK Jacobs Lauben (DIN69871)

SK Jacobs Lauben (DIN69871)

SK Jacobs Lauben (DIN69871)


SK Jacobs Lauben (DIN69871)

NMTB JTA Jacobs Kegeldorne


Hinterlassen Sie Ihre Nachrichten

Verwandte Produkte

x

Beliebte Produkte

x