BMT -Serie Reverse Außendurchmesser fester Werkzeughalter

Wärmestabilität: Kohlefaserdämmschicht minimiert die thermische Verformung

Modulares System: Schnelle Umstellung zwischen verschiedenen Inhabern in <15 Sekunden

Smart Monitoring: Vorinstallierte Sensoranschlüsse für die Überwachung von Prozessverfahren in Echtzeit


Produktdetails


Produktbeschreibung

Der Werkzeughalter ist ein starres Tool-Holding-System, das für hocheffiziente Präzisionsbearbeitung entwickelt wurde und eine revolutionäre Verjüngungs-Lock-Technologie (BMT-Bohr- und Fräsenwerkzeugsystem) enthält. Es wurde speziell für High-End-Geräte wie 5-Achsen-Bearbeitungszentren und horizontale Bohr-/Fräsmaschinen entwickelt und bietet beispiellose Starrheit und Wiederholbarkeit, um strenge Bearbeitungsanforderungen in der Luft- und Raum- und Schimmelpilzindustrie zu erfüllen.


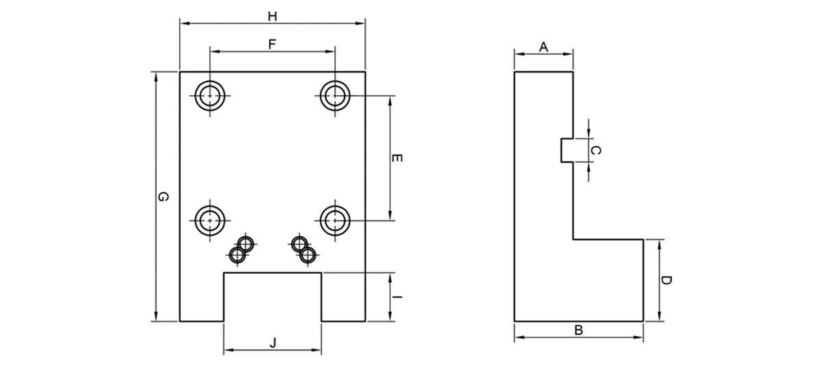
Produktschema

BMT -Serie Reverse Außendurchmesser fester Werkzeughalter

Produktparameter

BMT -Serie Reverse Außendurchmesser fester Werkzeughalter


Produktvorteile

Überlegene Oberflächenbeschaffung: Vibrationsdämpfungstechnologie erreicht Ra0.2 Oberflächenrauheit

50% längerer Werkzeuglebensleben: Auch Stressverteilung Design erweitert die Werkzeuglebensdauer


BMT -Serie Reverse Außendurchmesser fester Werkzeughalter


Qualitätsinspektion

Jiehe Machinery besitzt eine führende Produktionsfabrik sowie das Inspektions- und Testzentrum für Werkzeughalter in China, wobei die Fertigungsfunktionen zu den Tops rangieren. Unsere Kernproduktions- und Testgeräte umfassen Grob, Takisawa, Doosan, Haimer, Kelch, Zoller, Mitutoyo usw., und wir besitzen auch über die gesamte Palette der Standard -Werkzeughalter und Werkzeughalter -Messgeräte von Deutsch Diebold. Die Verwendung dieser Geräte gewährleistet die Überlegenheit unserer Produktionseffizienz und der Produktqualität weiter.

Wir haben eine intelligente Produktionslinie, die die Stabilität der Produktqualität gewährleistet und die Produktionseffizienz erheblich verbessert.


BMT -Serie Reverse Außendurchmesser fester Werkzeughalter


BMT -Serie Reverse Außendurchmesser fester Werkzeughalter


Fabrikanzeige

Jiehe Jiehe Machinery Co., Ltd., gegründet im Jahr 2000, ist ein nationales High-Tech-Unternehmen und ein technologisches und innovatives Unternehmen auf Provinzebene. Das Unternehmen spezialisiert auf CNC -Maschinenmaschinenzubehör und bietet über 1.000 Produktsorten, wobei 60% der Produkte exportiert werden. Mit über 200 CNC-Maschinen und einem Team von mehr als 100 Mitarbeitern hat Jiehe über 30 nationale Patente verdient und ist für seine bekannten Marken wie Cncjiehe, Sun Moon Lake und Gans anerkannt. Das Unternehmen nimmt regelmäßig an internationalen Ausstellungen in Peking, Shanghai, den USA, Deutschland, Italien und Tokio teil und baut eine starke globale Marktpräsenz auf. Durch die Benchmarking von Top -Unternehmen in Deutschland und Japan hat Jiehe eine rasante Entwicklung erreicht und eine umfassende Produktion und F & E -Basis mit Tochtergesellschaften in Jining, Shandong, Suzhou und darüber hinaus etabliert.


BMT -Serie Reverse Außendurchmesser fester Werkzeughalter

BMT -Serie Reverse Außendurchmesser fester Werkzeughalter

BMT -Serie Reverse Außendurchmesser fester Werkzeughalter

BMT -Serie Reverse Außendurchmesser fester Werkzeughalter

BMT -Serie Reverse Außendurchmesser fester Werkzeughalter


Hinterlassen Sie Ihre Nachrichten

Verwandte Produkte

x

Beliebte Produkte

x